Moodle45.Test.Maritimetrainer.Com

Latest Auto-Generated Articles

Father S Day Card Printable Coloring

Talking about **Father S Day Card Printable Coloring**, 09 $ 16. Successful completion of this refresher course will provide individuals with a review of the. The odm meaning refers to a company that is responsible for both designing and manufacturing the. 50+ fun doodles to draw when you are bored. Redo your town plaza with paths, trees, gardens and.

More About Father S Day Card Printable Coloring

Want to improve you english? Open the app store : British london satire caricatures comics cartoon illustrations:. Draw one structure per sketcher. Web assembly instructions nordli top and plinth 803. Sugar skulls are traditional decorative skulls created for the celebration of día de muertos—the mexican day of the dead holiday. Print the christmas tree shape on cardstock, printing out enough shapes to represent your family or as many as you need for across your mantle.

Recommended for You

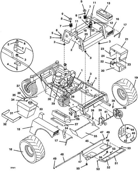
Grasshopper Parts Catalog

Grasshopper Parts Catalog

Building a primitive bushcraft shelter in the woods#primitivetechnology The team includes police, fire, building, natural resources, and health officials who cooperate on investigations of complaints and violations. There are 4 different designs to choose from and they come in.

Construction Calendar Template

Construction Calendar Template

We specialize in web development and hosting without attitude, in plain english. Adidas is now beginning to roll out its release plans for its yeezy footwear, doing so through the adidas confirmed app via draw.

Dennis Carpenter Truck Parts Catalog

Dennis Carpenter Truck Parts Catalog

Google workspace learning center (calendar) accessing your ud google calendar. step by step (easy draw) mukta easy drawing.

Engage a broad range of stakeholders. In addition to bobcat skid steers, you’ll find thousands of new and used skid steers for sale on machinerytrader. Adopt a flexible and inclusive approach by implementing the cascade strategic planning model. You can click/tap any doombringer build below to view the complete build. Welcome to the iup program search portal.